Stopy vikinské lodi ukrývající se pod zemí objevili archeologové v jihovýchodním Norsku. Pokud se předpoklady odborníků potvrdí, bude se jednat o unikátní nález. Norsko má totiž zatím pouze tři dobře zachované pohřební lodi z vikinského období, připomíná norský deník Aftenposten.
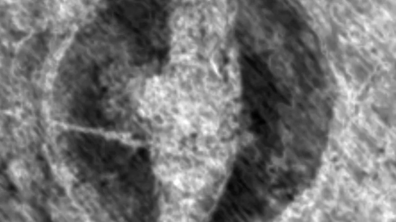
Archeologové uvedli, že typický tvar vikinské lodi byl odhalen s pomocí georadaru na pohřebišti z vikinské doby v Haldenu jihovýchodně od metropole Osla. Nález byl zjištěn asi půl metru pod zemským povrchem.
„Mezi pohřebními mohylami jsme objevili anomálii, místo odlišující se od okolí. Má zřetelně tvar a rozměry vikinské lodi,“ prohlásil archeolog Knut Paasche z norského ústavu pro výzkum kulturního dědictví. „Zatím ovšem nemůžeme říct, v jakém stavu se dřevo plavidla zachovalo,“ dodal.
Vikinské lodě vládly světovým oceánům
Ve vikinské době v 8. až 11. století brázdili válečníci a obchodníci ze severu Evropy světová moře na svých rychlých lodích, na nichž se dostali až do Ameriky. V lodích byli také při staroseverském pohřebním obřadu pochováváni vikinští králové a náčelníci se svým vlastnictvím určeným pro posmrtnou cestu.
V Norsku byly zatím objeveny jen tři zachované pohřební lodi, poslední nález pochází z Osebergu u Osla z roku 1903. V oseberské lodi datované do 9. století byla uložena pravděpodobně vikinská panovnice a její společnice s bohatou pohřební výbavou, k níž patřily například i skvostně vyřezávané saně a vůz se čtyřmi koly.
Všechny tři dochované norské pohřební lodi jsou v současnosti vystaveny v muzeu na ostrově Bygdöy na okraji Osla.
Jedna z největších
Podle archeologů by mohl nový objev poskytnout cenné informace o expedicích zkušených vikinských mořeplavců. „Potřebujeme více objevů, abychom byli schopni říct, jak tyto lodi vypadaly a jak se na nich Vikingové plavili,“ uvedl Paasche.
Podle obrysů měří nově objevená vikinská loď v Haldenu, i bez chybějící přídi a zádi, na délku 20 metrů. To z ní činí jednu z nejdelších vikinských lodí odhalených v Norsku.
Norské úřady nyní zvažují, jakým způsobem budou ohledně plavidla postupovat dál. Jeho případné vyzdvižení ale v tomto ročním období nepřipadá podle nich v úvahu, napsala agentura AFP.









